Ответить на тему  [ Сообщений: 2 ] 
 
Автор Сообщение
Администратор
Аватар пользователя

Зарегистрирован: 27 ноя 2011, 01:03
Сообщений: 226
Откуда: Москва
Сообщение Переделка БК0011 в БК0011М
СТАТЬЯ, КОТОРАЯ ДОЛЖНА БЫЛА ВЫЙТИ В ЖУРНАЛЕ
"ПЕРСОНАЛЬНЫЙ КОМПЬЮТЕР БК" N 4'96

ДВА ВАРИАНТА ДОРАБОТКИ КОМПЬЮТЕРА БК0011
Авторы: НОВАК В.Е., ЧИСТЯКОВ А.В.


На вторую половину 80-х пришелся пик популярности компьютера БК0010(-01) - тогда он выпускался десятками тысяч штук на каждом из заводов, но при стоимости в три средних зарплаты купить его можно было лишь по записи. Десятки авторов-энтузиастов создавали уникальное по своим характеристикам программное обеспечение, и еще большее количество компьютерных пиратов занималось его продажей и распространением. БК0010 был вне конкуренции.



К концу 80-х завод-изготовитель приступает к выпуску следующей модели той же серии - БК0011. Однако новинка оказалась не столь удачной: не было выполнено одно из главных условий - сохранение полной программной совместимости с предыдущей моделью. Видимо, этот недостаток оказался столь явным, что его признали даже сами производители; и в скором времени исправили свои ошибки. Появившийся БК0011М, получивший впоследствии положительные отзывы, практически всех, программистов, работающих на БК. Это было то, чего так долго ждали.



Однако за прошедшее до поворота производства время завод успел выпустить немалое количество не вполне совместимых БК0011. Положение владельцев этого компьютера сейчас осложняется еще больше, чем прежде: если раньше ведущие программисты непременно проверяли свою программную продукцию не только на БК0011М, но и на БК0011, то сейчас они себя этим не утруждают – найти не переделанную БК0011 в программистской среде уже практически невозможно.



С другой стороны, за прошедшие годы многие пользователи сделали какие-то наработки на своей БК0011 и прежде чем переходить на БК0011М желают убедиться, что результаты их труда не будут потеряны. Прежде всего это касается прикладных расчетных программ на Бейсике.



Как выяснилось, в БК0011 и БК0011М установлены принципиально различные версии Бейсика. Так, Бейсик-БК0011 имеет коренной недостаток - он не поддерживает операции с двойной точностью, однако он лучше использует память БК: предельный объем создаваемых в нем массивов примерно в 2 раза больше (к сожалению, точные данные затерялись в редакции журнала "Персональный компьютер БК"). Бейсик БК0011М выполняет операции с двойной точностью, что, конечно, хорошо, но это имеет и свой недостаток - более низкое быстродействие, которое, как известно, обратно пропорционально точности вычислений (скорость выполнения различных операций с плавающей точкой в 4-10 раз ниже).



Из сказанного следует, что прямой перенос с БК0011 на БК0011М вычислительных Бейсик - программ, использующих большие массивы данных или критичных к времени вычислений невозможен. С другой стороны, полноценная работа с дисководом на сегодняшний день возможна лишь на БК0011М.



С целью разрешения приведенных противоречий нами была разработана схема доработки БК0011, позволяющая с помощью переключателя выбирать режим работы БК0011 либо БК0011М с сохранением всех возможностей. В режиме БК0011 конфигурация полностью соответствует исходной модели, включая ПЗУ с Бейсиком, в другом режиме конфигурация соответствует БК0011М с единственным отличием - отсутствует ПЗУ Бейсика -11М. Так сделано потому, что требующиеся микросхемы ПЗУ отличаются высокой стоимостью, и в то же время имеется полная копия ПЗУ Бейсика -11М, рассчитанная на загрузку в дополнительные страницы ОЗУ (ведь БК0011М имеет не одну страницу ОЗУ!). Кроме того, загружаемый в ОЗУ RAM-Бейсик имеет небольшое преимущество перед Бейсиком-ПЗУ в объеме доступной памяти (исправлена ошибка заводской программы).



Для проведения доработки БК0011 необходимы 2 микросхемы ПЗУ с Базовой Операционной Системой (монитором) БК0011М, их можно заказать у нас, в фирме "АльтПро", а также, что на наш взгляд гораздо важнее, необходим значительный опыт работы по ремонту или монтажу схем подобного класса. Единственная ошибка при работе с цифровой техникой, как правило, приводит к неработоспособности всего изделия - если Вы не уверены в своих силах, лучше обратитесь к специалистам.



Ниже приводится два варианта доработки БК0011:


  • c возможностью переключения режимов (БК0011 / 11М);
  • без нее - для тех, кто в режиме БК0011 работать не собирается.

Текст статьи проверен, отсутствие ошибок гарантируется.
( В. Новаком – прим.)


1. ДОРАБОТКА С ВОЗМОЖНОСТЬЮ ПЕРЕКЛЮЧЕНИЯ РЕЖИМОВ



Запрограммированные микросхемы ПЗУ с монитором БК-11М удобно установить в панели XT1, XT2 на плате ПЗУ БК-11 (см. врезку в схему БК11М "Плата ПЗУ. Схема электрическая принципиальная"). В панель XT1 устанавливается микросхема, подключающаяся с адреса 120000 (по схеме БК11М - DS18), а в панель XT2 устанавливается микросхема, подключающаяся с адреса 140000 (DS17).



Далее необходимо отрезать печатный проводник, отходящий от вывода 23 XT2 (CE - Chip Enable) (выходит из-под панели ПЗУ между 1 и 2 контактами) и припаять этот вывод к выводу 12 XT2 (общий). Этим обеспечивается постоянное подключение микросхемы монитора в XT2 на 140000. Припаять вывод 23 XT1 к выводу 23 DS3; отрезать печатный проводник, отходящий от точки входа в плату ПЗУ вывода 23 XT3 (второй в шлейфе от 24-го). Тем самым этот вывод в шлейфе связи с платой ПЗУ освобождается от информационной нагрузки, но он еще пригодится для переключения мониторов, а микросхема монитора в XT1 подключается на 120000.



Переключение микросхем ПЗУ с мониторами осуществляется посредством подачи/отключения сигнала SYNC на соответствующие выводы микросхем с тем монитором, который должен быть подключен/отключен. Входы SYNC отключенных в данный момент микросхем должны быть подключены к +5В через резистор R=6.8 кОм.


SYNC для ПЗУ монитора БК-11М подается на плату ПЗУ через 23 XT3. При его включении отключается монитор БК-11 и БЕЙСИК БК-11. Необходимо отрезать контактные площадки выводов 3 XT1 и 3 XT2 от проводника и восстановить его целостность. Соединить выводы 3 XT1, 3 XT2 и 23 XT3 (SYNC для ПЗУ монитора БК11М). Отрезать печатный проводник, отходящий от контакта 23 XT8 на плате вычислителя, а также печатный проводник, отходящий от единственной переходной контактной площадки под панелью XT8 на обратной стороне платы вычислителя (она соединена с 3 XT8). Резисторы 6,8 кОм припаять между 3 XT2 и 21,22 XT2; а также между 21,22,24 DS3 и 3 DS3 (последняя точка соединена с одноименным выводом микросхем ПЗУ БК0011). (ПРИМЕЧАНИЕ: русскоязычное обозначение сигнала "SYNC" - "СИА Н".)



Необходимо удалить соединения: D33.4 - R5 "СТОП" (перерезать в месте перехода проводника от D33.4 на другую сторону платы после самого перехода), D32.10 - D36.7 (аналогично), перемычку S3 (номера элементов подписаны на самой плате БК11). Соединить D13.13 и 17 XT8 (блокировка "СТОП").



Для переключения необходим переключатель П2К с четырьмя группами переключающих контактов.


Считая контакты: 2,5,8,11 переключающими,


1,4,7,10 - нормально замкнутыми


3,6,9,12 - нормально разомкнутыми,


а также исходя из того, что при отжатой кнопке получается БК-11, а при нажатой - БК-11М, осуществляются соединения:


1,6 - D33.4 - провод припаять к ближайшему переходному отверстию проводника, отходящего от вывода (переходу).


2 - R5 - провод припаять к ближайшему переходному отверстию проводника, отходящего от левого по плате вывода.


3 - D13.12 - к выводу.


4 - D36.7 - к выводу или к переходному отверстию.


5 - D32.10 - к выводу или к переходному отверстию.


7 - D34.8 - к выводу или к месту установки перемычки S2.


8 - D13.9 - к третьему по счету переходу, если двигаться по дорожке от вывода.


9 - D34.6 - к выводу или к месту установки перемычки S3.


10 - 3 XT8 - к выводу или к переходному отверстию под панелью XT8.


11 - D19.1 - к выводу или к переходу в правой части платы.


12 - 23 XT8 - к выводу.



Переключатель удобно разместить на решетке над разъемом МПИ кнопкой над разъемом магнитофона, просверлив в решетке отверстия по месту для выводов переключателя. Вставить переключатель в решетку выводами внутрь БК, противоположные выводы откусить.



2. ДОРАБОТКА БЕЗ ВОЗМОЖНОСТИ ПЕРЕКЛЮЧЕНИЯ РЕЖИМОВ



Необходимо удалить (выкусить) микросхемы ПЗУ 1801РЕ2, расположенные на плате вычислителя рядом с панелью ХТ8. Их обозначение на плате: DS17, DS18 либо ХТ6 , ХТ7 соответственно. Затем впаять на их место микросхемы ПЗУ от БК0011М, расположив их согласно обозначениям.


Перерезать дорожки:


  • отходящую от вывода 4 микросхемы D33 - D33.4 (ЛН1) (микросхема обозначена на плате и на монтажной схеме);
  • отходящую от вывода D32.10 (ЛИ6) в месте выхода дорожки из-под микросхемы на лицевой стороне платы (сторона деталей), дорожка прослеживается;
  • удалить перемычку S3, выполненную проводом (рядом с ней на плате имеется надпись "S3" или "S3.1"), находится она рядом с процессором (1801ВМ1).

Соединить проводниками следующие точки:


  • вывод D13.12 (ТМ9) и левый вывод R5, если смотреть на плату в том положении, как она обычно располагается в БК, на столе;
  • вывод D13.13 (ТМ9) и вывод 17 колодки ХТ8;
  • вывод D33.4 (ЛН1) и вывод D32.10 (ЛИ6);
  • вывод D13.9 (ТМ9) и вывод D34.6 (ЛН2) – эквивалентно установке перемычки S2.

В принципе, на этом можно закончить повествование о переделке БК0011 в 11М. Однако, у БК0011М, выпускаемой головным заводом – изготовителем "Экситон", есть еще одно отличие, которое по своему влиянию на впечатление от работы с компьютером можно было бы признать чуть ли не главным: на 11М установлена мягкая, без дребезга клавиатура, выполненная по более современной технологии. С ней приятно работать!



Если описанная доработка БК не вызывает у Вас затруднений, то замена клавиатуры для Вас не составит труда тем более, рекомендуем (клавиатуры есть в продаже в фирме "АльтПро").



Сверстал CD-Inc. © 2012



Исходный текст с оригинальным форматированием:
11-11M.txt [10.44 KiB]
Скачиваний: 1696


22 май 2013, 22:35
Профиль

Зарегистрирован: 21 авг 2013, 01:19
Сообщений: 55
Сообщение Re: Переделка БК0011 в БК0011М
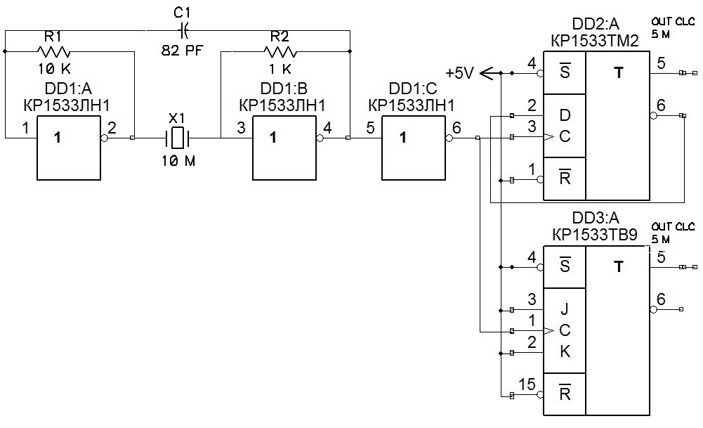
В заводской схеме электрической принципиальной БК11/БК11М есть существенная ошибка по тактированию процессора 1801ВМ1 : т.к. частота 12 мгц не может равномерно делиться на 3, получается отличный от 50/50 ( по скважности ) сигнал тактирования, что ведет к частым висякам процессора.
Рекомендуется установить отдельный генератор тактовой частоты, например на ИС К555ЛН1 - по образцу уже имеющегося на плате БК11/БК11М, но на отдельной ИС. И установить дополнительную ИС типа КР531ТМ2 ( подойдет и К155ТМ2, но с ухудшением параметров ) для деления частоты на 2. Полученную частоту подавать на дорожку, идущую от Д39 выв. 09.

Соответственно, устанавливается либо ИС ТМ2, либо ТВ9 ( ТВ9 - лучше ).
Номиналы резисторов в цепи генератора, возможно, следует подобрать - они зависят от примененного кварца.


24 май 2015, 03:28
Профиль
Показать сообщения за:  Сортировать по:  
Ответить на тему   [ Сообщений: 2 ] 

Кто сейчас на форуме

Сейчас этот форум просматривают: нет зарегистрированных пользователей и гости: 1


Вы не можете начинать темы
Вы не можете отвечать на сообщения
Вы не можете редактировать свои сообщения
Вы не можете удалять свои сообщения
Вы не можете добавлять вложения

Найти:
Перейти:  
cron
Powered by phpBB © 2000 - 2011 phpBB Group.
Design creat de Florea Cosmin Ionut | Translation by WebSok.Ru

закрыть

Советскому бытовому " БК-0011М" посвящается...


Вопреки всем скептикам и недоброжелателям, дело БК живет и развивается. Не за горами день, когда будет выпущен в свет "БК-0012 Pulsar" - расширенный FPGA-клон БК-0011М. Пока же на данном форуме Вы можете ознакомиться с репликами БК-0011М(-01), приставкой Booster-11, репликой контроллера SMK64 (а также его FPGA-клоном - SMK512), аппаратным эмулятором ПЗУ КР1801РЕ2Б, блоками расширения с процессорами ВМ2/ВМ3, и другими интересными материалами и работами.
Ведутся работы по отрисовке в 3D корпусов БК, МСТД, оригинальных клавиатуры, джойстика и мыши, но пока не удается найти их производство по приемлемой цене при малом тираже. Выполнено производство новодельных пленок для клавиатур БК-0011М.
Важным для возрождения БК и его сообщества является новый софт (игры и демо в особености), и они периодически появляются!
Удалось решить многие hard-задачи, но нет системных программистов, востребованных в проекте БК-0012, как минимум для тестирования. Требуется разработка полноценного Win32-компилятора Си в bin-файлы БК.
Релизован полноценный каталогизатор всего софта БК, с удобным интерфейсом. Осталось выполнить собственно большую задачу каталогизации.

Ждем ваших откликов, идей. Сообщайте о данном ресурсе всем, кто увлекался в прошлом БКшкой, присылайте их и свои e-mail для рассылки новостей из мира БК.

nimamov@mail.ru