|
Сообщения без ответов | Активные темы
Текущее время: 23 фев 2026, 17:15
|
Страница 1 из 1
|
[ Сообщений: 9 ] |
|
| Автор |
Сообщение |
|
TheGWBV
Зарегистрирован: 10 июл 2013, 17:16 Сообщений: 28
|
 Клавиатура PS/2 для БК-0010.02 и БК-0012
Раздобыла 5 шт. клавиатур PS/2 подходящего размера  1) Можно подключить к БКашке через микроконтроллер AtMega162) Можно будет подключить к БК-0012 Фотографии примерки в корпус БК0010-01... Цена = 1100 руб. 
Последний раз редактировалось TheGWBV 17 сен 2015, 22:59, всего редактировалось 1 раз.
|
| 03 ноя 2013, 20:59 |
|
 |
|
Маньяк ИС
Зарегистрирован: 21 авг 2013, 01:19 Сообщений: 55
|
 Re: Клавиатура PS/2 для БК-0010.02 и БК-0012
Не подскажите ли, там матрица кнопок какой организации ( Икс на Игрек ) ? ( А то, может, можно будет простыми ПЗУшками обойтись вместо ОЭВМ )  * И нет ли в закромах белой или розовой клавы ?
|
| 06 ноя 2013, 11:19 |
|
 |
|
Voland
Администратор
Зарегистрирован: 27 ноя 2011, 01:03 Сообщений: 226 Откуда: Москва
|
 Re: Клавиатура PS/2 для БК-0010.02 и БК-0012
Фото со светлой клавиатурой в черном корпусе тоже смотрелось бы очень интересно...
|
| 07 ноя 2013, 00:49 |
|
 |
|
perestoronin
Администратор
Зарегистрирован: 26 ноя 2011, 23:12 Сообщений: 4 Откуда: Москва
|
 Re: Клавиатура PS/2 для БК-0010.02 и БК-0012
Файлы на mail.ru удалены. Если имеется возможность, пожалуйста выложите сюда файлы, или пришлите их мне, я сам перевыложу. Моя почта perestoronin собачка gmai.com
|
| 10 ноя 2013, 17:17 |
|
 |
|
TheGWBV
Зарегистрирован: 10 июл 2013, 17:16 Сообщений: 28
|
 Re: Клавиатура PS/2 для БК-0010.02 и БК-0012
|
| 12 ноя 2013, 23:27 |
|
 |
|
TheGWBV
Зарегистрирован: 10 июл 2013, 17:16 Сообщений: 28
|
 Re: Клавиатура PS/2 для БК-0010.02 и БК-0012
Теоретически, там же можно заказать партию клавиатур в 1000 шт. с белыми кнопками, а с черными были уже готовые -- теперь 5 из них в Мск... лежат и ждут самоделкиных :)
|
| 12 ноя 2013, 23:56 |
|
 |
|
Doc
Зарегистрирован: 05 авг 2015, 07:30 Сообщений: 21
|
 Re: Клавиатура PS/2 для БК-0010.02 и БК-0012
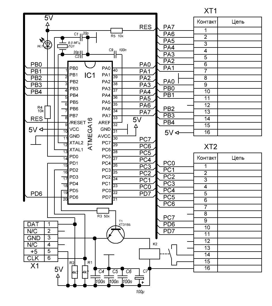
если кому интересно вот схема мулятора
|
| 15 сен 2015, 18:49 |
|
 |
|
TheGWBV
Зарегистрирован: 10 июл 2013, 17:16 Сообщений: 28
|
 Re: Клавиатура PS/2 для БК-0010.02 и БК-0012
Поменяю две клавы (как на картинках выше) на готовый рабочий экземпляр мулятора для БК0010-01 (со скрипучими кнопками) 
|
| 17 сен 2015, 23:08 |
|
 |
|
Doc
Зарегистрирован: 05 авг 2015, 07:30 Сообщений: 21
|
 Re: Клавиатура PS/2 для БК-0010.02 и БК-0012
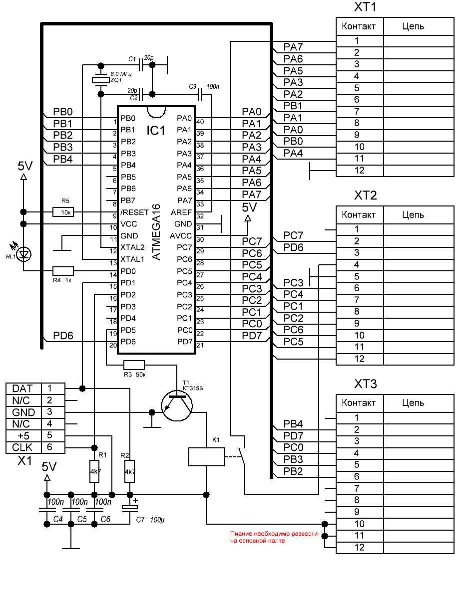
проверенного (мной) пока нет (так как я ещё не собрал сам БК) сейчас в процессе разводки платы для использования как "модуль" - вставлять сверху в основную плату БК , прямиком в разъемы клавиатуры
|
| 19 сен 2015, 08:15 |
|
|
|
Страница 1 из 1
|
[ Сообщений: 9 ] |
|
Кто сейчас на форуме |
Сейчас этот форум просматривают: нет зарегистрированных пользователей и гости: 1 |
|
Вы не можете начинать темы Вы не можете отвечать на сообщения Вы не можете редактировать свои сообщения Вы не можете удалять свои сообщения Вы не можете добавлять вложения
|
закрыть
Советскому бытовому " БК-0011М" посвящается...
Вопреки всем скептикам и недоброжелателям, дело БК живет и развивается. Не за горами день, когда будет выпущен в свет "БК-0012 Pulsar" - расширенный FPGA-клон БК-0011М. Пока же на данном форуме Вы можете ознакомиться с репликами БК-0011М(-01), приставкой Booster-11, репликой контроллера SMK64 (а также его FPGA-клоном - SMK512), аппаратным эмулятором ПЗУ КР1801РЕ2Б, блоками расширения с процессорами ВМ2/ВМ3, и другими интересными материалами и работами.
Ведутся работы по отрисовке в 3D корпусов БК, МСТД, оригинальных клавиатуры, джойстика и мыши, но пока не удается найти их производство по приемлемой цене при малом тираже. Выполнено производство новодельных пленок для клавиатур БК-0011М.
Важным для возрождения БК и его сообщества является новый софт (игры и демо в особености), и они периодически появляются!
Удалось решить многие hard-задачи, но нет системных программистов, востребованных в проекте БК-0012, как минимум для тестирования. Требуется разработка полноценного Win32-компилятора Си в bin-файлы БК.
Релизован полноценный каталогизатор всего софта БК, с удобным интерфейсом. Осталось выполнить собственно большую задачу каталогизации.
Ждем ваших откликов, идей. Сообщайте о данном ресурсе всем, кто увлекался в прошлом БКшкой, присылайте их и свои e-mail для рассылки новостей из мира БК. nimamov@mail.ru
|