|
Сообщения без ответов | Активные темы
Текущее время: 14 фев 2026, 23:29
|
Страница 1 из 1
|
[ Сообщений: 7 ] |
|
| Автор |
Сообщение |
|
Doc
Зарегистрирован: 05 авг 2015, 07:30 Сообщений: 21
|
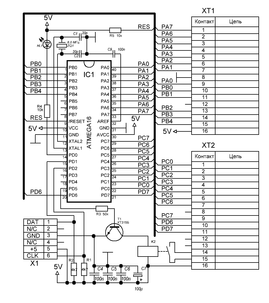
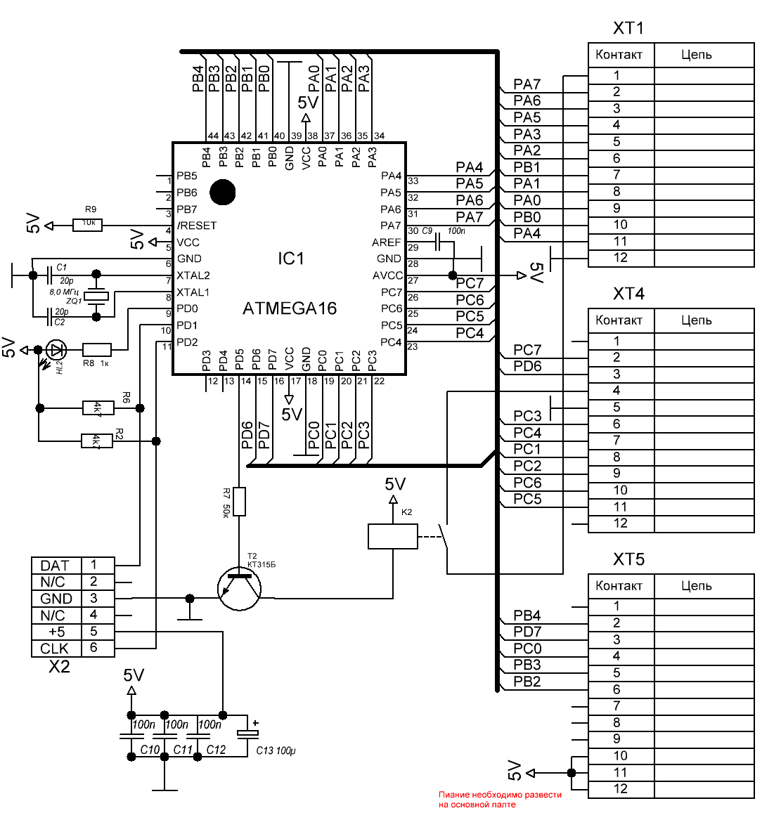
 Эмулятор клавиатуры PS/2
Последний раз редактировалось Doc 23 сен 2015, 16:59, всего редактировалось 1 раз.
|
| 20 сен 2015, 12:45 |
|
 |
|
Doc
Зарегистрирован: 05 авг 2015, 07:30 Сообщений: 21
|
 Re: Эмулятор клавиатуры PS/2
Последний раз редактировалось Doc 23 сен 2015, 16:13, всего редактировалось 1 раз.
|
| 20 сен 2015, 14:56 |
|
 |
|
Doc
Зарегистрирован: 05 авг 2015, 07:30 Сообщений: 21
|
 Re: Эмулятор клавиатуры PS/2
|
| 21 сен 2015, 09:04 |
|
 |
|
Vslav
Зарегистрирован: 20 май 2013, 11:45 Сообщений: 18
|
 Re: Эмулятор клавиатуры PS/2
Может быть стоит все-таки вопрос кнопки сброса отработать? А то реле это как-то... Некошерно 
|
| 21 сен 2015, 12:39 |
|
 |
|
Doc
Зарегистрирован: 05 авг 2015, 07:30 Сообщений: 21
|
 Re: Эмулятор клавиатуры PS/2
в цепи магнитофона реле значит кошерно , а ту нет можно, как только сам БК запущу- попробую на оптопаре замутить
|
| 22 сен 2015, 06:47 |
|
 |
|
felixLeo
Зарегистрирован: 04 ноя 2018, 21:52 Сообщений: 1
|
 Re: Эмулятор клавиатуры PS/2
В архивчике с прошивкой нет информации по fuse для Atmega 16. Оставляем по умолчанию?
|
| 04 ноя 2018, 21:55 |
|
 |
|
SergILD
Зарегистрирован: 24 апр 2017, 11:39 Сообщений: 1
|
 Re: Эмулятор клавиатуры PS/2
в итоге запустить удалось или вопрос был пока теоретический? поскрёб по сусекам и нашёл ATMEGA16 в DIP-корпусе; переразводить под мой корпус SMD я точно не соберусь, может опробовать пока в DIP.
|
| 17 дек 2018, 09:54 |
|
|
|
Страница 1 из 1
|
[ Сообщений: 7 ] |
|
Кто сейчас на форуме |
Сейчас этот форум просматривают: нет зарегистрированных пользователей и гости: 1 |
|
Вы не можете начинать темы Вы не можете отвечать на сообщения Вы не можете редактировать свои сообщения Вы не можете удалять свои сообщения Вы не можете добавлять вложения
|
закрыть
Советскому бытовому " БК-0011М" посвящается...
Вопреки всем скептикам и недоброжелателям, дело БК живет и развивается. Не за горами день, когда будет выпущен в свет "БК-0012 Pulsar" - расширенный FPGA-клон БК-0011М. Пока же на данном форуме Вы можете ознакомиться с репликами БК-0011М(-01), приставкой Booster-11, репликой контроллера SMK64 (а также его FPGA-клоном - SMK512), аппаратным эмулятором ПЗУ КР1801РЕ2Б, блоками расширения с процессорами ВМ2/ВМ3, и другими интересными материалами и работами.
Ведутся работы по отрисовке в 3D корпусов БК, МСТД, оригинальных клавиатуры, джойстика и мыши, но пока не удается найти их производство по приемлемой цене при малом тираже. Выполнено производство новодельных пленок для клавиатур БК-0011М.
Важным для возрождения БК и его сообщества является новый софт (игры и демо в особености), и они периодически появляются!
Удалось решить многие hard-задачи, но нет системных программистов, востребованных в проекте БК-0012, как минимум для тестирования. Требуется разработка полноценного Win32-компилятора Си в bin-файлы БК.
Релизован полноценный каталогизатор всего софта БК, с удобным интерфейсом. Осталось выполнить собственно большую задачу каталогизации.
Ждем ваших откликов, идей. Сообщайте о данном ресурсе всем, кто увлекался в прошлом БКшкой, присылайте их и свои e-mail для рассылки новостей из мира БК. nimamov@mail.ru
|